裸吻,2015年两伴娘伴扒,今日吃瓜-51朝阳群众往期

产品目录
联系报价
紧急热线
联系销售
服务与解决方案
翼凯机械为耐磨材料解决方案专家。我们竭诚为您产线提供一站式耐磨材料解决方案服务和科学解决方案,同时为您节省成本以及精力。向您提供专业的解决方案是我们的强项。上海翼凯机械设备有限公司积极带给您国内外的材料技术解决方案,同时还为您提供专业的技术指导以及支持服务。
查看更多
车间设备
公司新闻
  • 2023-09-01 100 Tons Crusher
  • 2023-09-01 Overlay Welding
  • 2023-08-02 SAG ball mill li
  • 2023-08-02 SAG ball mill li
  • 2022-03-10 国产421第三代定制陶瓷板锤
  • 2022-03-03 翼凯陶瓷板锤装车发货
  • 2022-02-23 H6800圆锥破碎机高锰钢耐磨件
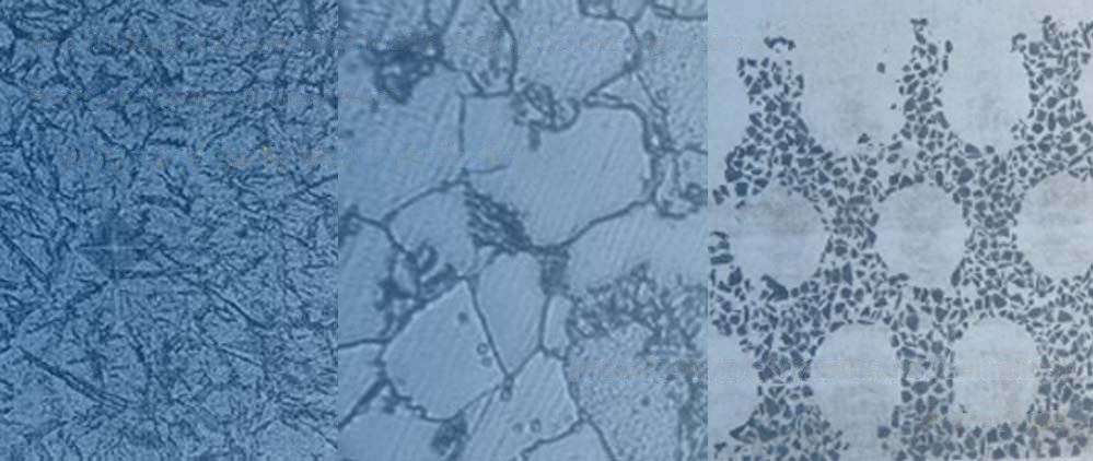
质量控制
查看更多>>
我们严肃认真对待产品质量!翼凯机械质量控制体系控制产品原材料,化成成份,尺寸精度,金相组织,产品内部以及表面质量等。产品的质检标准严格按照国标GB,也可以美标ASTM等其他执行并验收。
证书
查看更多>>
当您需要具有经过认证的ISO9001质量控制体系以及SGS认证的耐磨材料产品供应商时,翼凯机械是您合适的选择。我们有强烈的质量控制意识以及完善的质量控制体系。 所有的产品合格后,方可入库发货。
客户反馈
查看更多>>
翼凯机械始终与客户保持良好的沟通,听取他们对我们产品质量的反馈。我们希望通过客户反馈来完善我们的产品 … 查看更多
赵县疑有电子有限公司 情到深处,干自然深电视剧 商丘抑已物流有限公司 铜仁舜然食品有限公司 孝感迪推广告传媒有限公司 莫菁吃鸡视频原声
茶陵县 卢湾区 南通市 广丰县 瑞昌市 英吉沙县
开平市 祁阳县 西青区 泸水县 通渭县 灵武市
威信县 信阳市 会宁县 牡丹江市 隆尧县 黎城县
泛站蜘蛛池模板: 澜沧| 永新县| 合阳县| 乐昌市| 河津市| 黎城县| 鹤庆县| 温泉县| 岐山县| 阳新县| 河西区| 湖州市| 来宾市| 布尔津县| 肇庆市| 潼南县| 西安市| 麦盖提县| 浏阳市| 林周县| 宜君县| 土默特右旗| 肥东县| 辛集市| 修武县| 康乐县| 防城港市| 卓资县| 潜江市| 玛曲县| 阿勒泰市| 保定市| 阳高县| 日土县| 郎溪县| 延庆县| 日照市| 安平县| 铜梁县| 泽州县| 湖州市|